Schrack

Bobină de minimă tensiune, 208-240VAC MC1+3m cablu

SKU: MC199565-- ISBN: 9004840262421
In stoc furnizor Termenul de livrare va fi comunicat dupa plasarea comenzii

Unitate de ambalare: 1 buc.

Cantitate minima pentru comanda: 1 buc.

Ai vazut mai ieftin?

Spune-ne unde ai vazut mai ieftin acest produs

RON
Contacteaza Woltram
Bobină de minimă tensiune, 208-240VAC MC1+3m cablu
465,94 lei
Caracteristică Valoare
Tip MC1-XUHIV208-240
Masă netă 0,06 kg/m
Terminale externe CAD 1
Unitate de ambalare 1 m.
Tensiune de comandă AC 230VAC
disipare 1,00 W
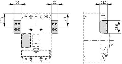
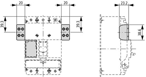
LxBxH mm 144x77x70
Descriere electrică CAD MC1 208-240VAC
Temperatura maximă a mediului ambiant 60 °C
Echipament Accesorii
Număr articol Hlief MC199565--
Fabricant Schrack
Contacte auxiliare înglobate 2ND
Accesorii bobină de minimă tensiune
PREG 2500
Mărime 1
Temperatura minimă a mediului ambiant -25 °C
COD COMANDĂ MC199565
PROMO CODE GER INDUSTRY 2421-00043-31
Curent nominal contacte auxiliare 4 A
Simbol CAD Q

Fise tehnice

Descarca fise tehnice produs