Schrack

Bobină de minimă tensiune, 220-250VDC MC1+3m cablu

SKU: MC199489-- ISBN: 9004840262353
In stoc furnizor Termenul de livrare va fi comunicat dupa plasarea comenzii

Unitate de ambalare: 1 buc.

Cantitate minima pentru comanda: 1 buc.

Ai vazut mai ieftin?

Spune-ne unde ai vazut mai ieftin acest produs

RON
Contacteaza Woltram
Bobină de minimă tensiune, 220-250VDC MC1+3m cablu
302,81 lei
Caracteristică Valoare
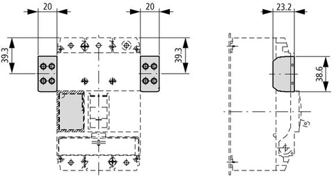
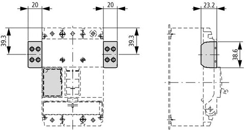
Tip MC1-XUL220-250
Masă netă 0,04 kg/m
Terminale externe CAD 1
Unitate de ambalare 1 m.
disipare 1,00 W
Temperatura maximă a mediului ambiant 60 °C
Echipament Accesorii
Fabricant Schrack
PROMO CODE GER INDUSTRY 2353-00049-84
Accesorii bobină de minimă tensiune
PREG 2500
Mărime 1
Număr articol Hlief MC199489--
Descriere electrică CAD MC1 220-250V DC
Temperatura minimă a mediului ambiant -25 °C
COD COMANDĂ MC199489
Simbol CAD Q

Fise tehnice

Descarca fise tehnice produs