Schrack

Bobină de minimă tensiune, 24VDC MC1+3m cablu

SKU: MC199481-- ISBN: 9004840262346
In stoc furnizor Termenul de livrare va fi comunicat dupa plasarea comenzii

Unitate de ambalare: 1 buc.

Cantitate minima pentru comanda: 1 buc.

Ai vazut mai ieftin?

Spune-ne unde ai vazut mai ieftin acest produs

RON
Contacteaza Woltram
Bobină de minimă tensiune, 24VDC MC1+3m cablu
338,84 lei
Caracteristică Valoare
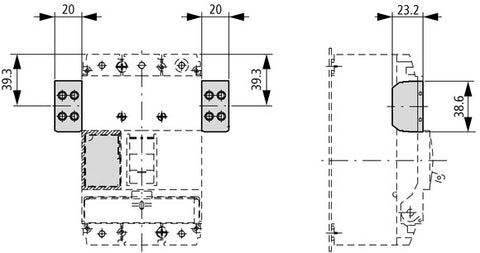
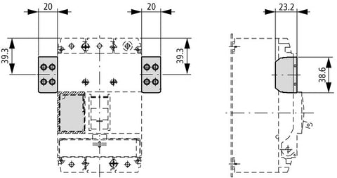
Masă netă 0,04 kg/m
Terminale externe CAD 1
Unitate de ambalare 1 m.
disipare 1,00 W
COD COMANDĂ MC199481
Temperatura maximă a mediului ambiant 60 °C
Echipament Accesorii
Fabricant Schrack
Accesorii bobină de minimă tensiune
Tensiune de comandă AC 24VDC
PREG 2500
Tip MC1-XUL24DC
Mărime 1
Temperatura minimă a mediului ambiant -25 °C
PROMO CODE GER INDUSTRY 2346-00033-51
Descriere electrică CAD MC1 24V DC
Simbol CAD Q
Număr articol Hlief MC199481--

Fise tehnice

Descarca fise tehnice produs