Schrack

Punte scurtcircuitoare 4/2poli pt.MC3 + termocontractibil

SKU: MC390600-- ISBN: 9004840627350
In stoc furnizor Termenul de livrare va fi comunicat dupa plasarea comenzii

Unitate de ambalare: 1 buc.

Cantitate minima pentru comanda: 1 buc.

Ai vazut mai ieftin?

Spune-ne unde ai vazut mai ieftin acest produs

RON
Contacteaza Woltram
Punte scurtcircuitoare 4/2poli pt.MC3 + termocontractibil
1.898,02 lei
Caracteristică Valoare
Mărime 3
Unitate de ambalare 1 m.
Tip MC3-4-XKVI2P-K
Accesorii conector serie
Tensiune nominală < 690VAC;< 1000VDC
Temperatura maximă a mediului ambiant 60 °C
Număr articol Hlief MC390600--
Echipament Accesorii
Fabricant Schrack
PREG 2500
Poli 2;4
Temperatura minimă a mediului ambiant -25 °C
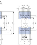
LxÎxA mm 155x106x110
COD COMANDĂ MC390600
HxBxT mm 106x155x110

Fise tehnice

Descarca fise tehnice produs