|
AC-4 220 V 230 V [P]
|
6 kW
|
|
Control elevator 240V 60Hz trifazat (A)
|
42
|
|
Performanţe în regim de motor AC-3
|
-
|
|
Montaj deschis la 40°C [Ith=Ie]
|
80 A
|
|
AC-4 415 V [P]
|
11 kW
|
|
Capacitatea de închidere conform CEI/EN 60947 până la 690V
|
700 A
|
|
Date de bază fuzibil max.
|
250 A
|
|
Contacte auxiliare-contacte NÎ
|
5 gr.
|
|
CEM interferenţe emise
|
conform cu EN 60947-1
|
|
Rezistenţă la scurtcircuit
|
-
|
|
Montaj închis [Ith]
|
58 A
|
|
AC-4 440 V [P]
|
12 kW
|
|
660 V 690 V
|
320 A
|
|
Curent nominal
|
50 A
|
|
Secţiune racord (contacte auxiliare)
|
- mm²
|
|
Accesorii opționale
|
LTZ3D420--; LTZ3D411--; LTZ3D402--; LTZ3D140--; LTZ3D131--; LTZ3D122--; LTZ3D113--; LTZ3D104--; LTZ3D711--; LTZ3D811--;
|
|
Factorul de serviciu
|
100 % ED
|
|
Flexibil cu pin (contactele principale)
|
1 x (0,75 - 35) | 2 x (0,75 - 25) mm²
|
|
Rezistenţe de încălzire 600V 60Hz trifazat
|
79 A
|
|
Montaj deschis AC-3, 3 poli: 50 – 60 Hz 240 V [Ie]
|
50 A
|
|
Rezistenţe de încălzire 480V 60Hz trifazat
|
79 A
|
|
Lămpi cu incandescenţă (Wolfram) 600V 60Hz trifazat
|
74 A
|
|
Lămpi cu descărcare (Balast) 347V 60Hz monofazat
|
79 A
|
|
Funcţionare în c.c.
|
1,05
|
|
Unitate de ambalare
|
1 m.
|
|
Temperatura ambiantă de depozitare
|
-40 / +80 °C
|
|
Masiv sau multifilar (contacte principale)
|
single 14 - 1, double 14 - 2 AWG
|
|
Acţionare frontală (EN50724)
|
Cu degetul şi cu dosul palmei
|
|
Contacte auxiliare-contacte ND
|
7 gr.
|
|
Putere motor maximă-Utilizare generală
|
80 A
|
|
AC-4 660 V 690 V [P]
|
14 kW
|
|
Temperatura ambiantă pentru montaj închis
|
-25 / + 40 °C
|
|
SCCR (CB) la defect sever
|
65 kA
|
|
Fuzibil max. protecţie la scurtcircuit
|
-
|
|
Unelte (contacte auxiliare)
|
-
|
|
Funcţionare în c.c. [Cuplare]
|
24 W
|
|
Curent termic convenţional 1 pol montaj închis [Ith]
|
145 A
|
|
Între contacte
|
440 VAC
|
|
CEM rezistenţa la interferenţe
|
conform cu EN 60947-1
|
|
grad de protecţie
|
IP00
|
|
Suruburi terminale (contacte auxiliare)
|
M3,5
|
|
Contacte de forţă
|
-
|
|
Control elevator 200V 60Hz trifazat (CP)
|
10
|
|
Putere disipată
|
-
|
|
Montaj deschis AC-4, 3 poli, 50 – 60 Hz 500 V [Ie]
|
21 A
|
|
Separare sigură conform EN 61140
|
-
|
|
Întreruptor automat max. la defect sever 600 V
|
250 A
|
|
Categorie produs
|
Power contactor
|
|
Montaj deschis DC-1
|
-
|
|
Unelte (contacte principale)
|
-
|
|
Sistemul electromagnetic
|
-
|
|
Date de bază SCCR
|
10 kA
|
|
Norme si Standarde
|
EN 60947-4-1, EN 60947-5-1, IEC 60947-4-1, IEC 60947-5-1, UL 508
|
|
Consum de putere
|
-
|
|
Fabricant
|
Schrack
|
|
DC-1
|
-
|
|
Lămpi cu incandescenţă (Wolfram) 347V 60Hz monofazat
|
74 A
|
|
Coordonare de tip "2" 690 V [gG/gL690 V]
|
63 A
|
|
Masiv sau multifilar (contacte auxiliare)
|
18 - 14 AWG
|
|
Flexible with ferrule [auxiliary cables]
|
1 x (0,75 - 2,5) | 2 x (0,75 - 2,5) mm²
|
|
Montaj deschis AC-3, 3 poli: 50 – 60 Hz 380 V 400 V [Ie]
|
50 A
|
|
Montaj deschis AC-3, 3 poli: 50 – 60 Hz 440 V [Ie]
|
50 A
|
|
Rezistenţa la şocuri mecanice-şoc semisinusoidal 10ms
|
-
|
|
Lungime de dezizolat (contacte principale)
|
14 mm
|
|
Montaj deschis AC-4, 3 poli, 50 – 60 Hz 415 V [Ie]
|
21 A
|
|
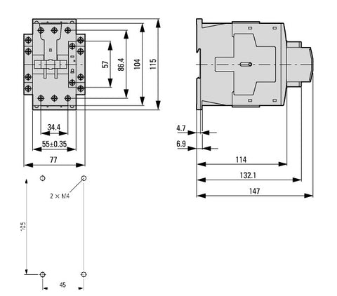
LxÎxA mm
|
55x115x132
|
|
220 V 230 V
|
500 A
|
|
Contacte auxiliare-contacte ND
|
7 gr.
|
|
AC-4 380 V 400 V [P]
|
10 kW
|
|
Monofazat 115V 120V
|
3 HP
|
|
Categoria de supratensiune/Grad de poluare
|
III/3
|
|
Cuplu de strângere (contacte principale)
|
3,30 Nm
|
|
Coordonare de tip "1" 690 V [gG/gL 690 V]
|
80 A
|
|
Lungime de dezizolat (contacte auxiliare)
|
10 mm
|
|
SCCR (fuzibil) la defect sever 480 V
|
30/100 kA
|
|
Coordonare de tip "1" 400 V [gG/gL 500 V]
|
160 A
|
|
Trifazat 200 V 208 V
|
15 HP
|
|
Control elevator 480V 60Hz trifazat (CP)
|
30
|
|
Control elevator 600V 60Hz trifazat (A)
|
41
|
|
Contacte de forţă
|
3 ND
|
|
Performanţe în regim de motor AC-4
|
-
|
|
Montaj deschis la 50°C [Ith=Ie]
|
71 A
|
|
Tensiunea nominală operaţională
|
690 V
|
|
Trifazat 230 V 240 V
|
20 HP
|
|
AC-3 220 V 230 V [P]
|
15,5 kW
|
|
Capacitate de rupere nominala
|
- kA
|
|
220 V [Ie]
|
45 A
|
|
Montaj deschis la 55°C [Ith=Ie]
|
68 A
|
|
Curent de scurtcircuit
|
-
|
|
Funcţionare în c.c. [Menţinere]
|
1 W
|
|
AC-1
|
-
|
|
Putere motor maximă-monofazat
|
-
|
|
Curent nominal operaţional AC-4
|
-
|
|
Lămpi cu incandescenţă (Wolfram) 480V 60Hz trifazat
|
74 A
|
|
Surubelniţă Philips/Pozidriv (contacte auxiliare)
|
PZ 2
|
|
Montaj deschis AC-3, 3 poli: 50 – 60 Hz 500 V [Ie]
|
50 A
|
|
SCCR (întreruptor automat) la defect sever 600 V
|
30 kA
|
|
Temperatura ambiantă pentru montaj deschis
|
-25 / +60 °C
|
|
Control elevator 240V 60Hz trifazat (CP)
|
15
|
|
Multifilar (contacte principale)
|
1 x (16 - 50) | 2 x (16 - 35) mm²
|
|
Funcţionare în c.c. [Decuplare] Notă
|
Cel puţin redresor cu riplu redus bifazat sau trifazat
|
|
Contacte de forţă-contacte ND
|
10 gr.
|
|
AC-3 240V [P]
|
17 kW
|
|
AC-4 500 V [P]
|
13 kW
|
|
Date de bază max. CB
|
250 A
|
|
Între bobină şi contacte
|
440 VAC
|
|
AC-4
|
-
|
|
Capacitatea de rupere
|
-
|
|
Operating frequency, mechanical DC operated
|
5000 Schaltspiele/h
|
|
Lămpi cu descărcare (Balast) 277V 60Hz monofazat
|
79 A
|
|
Montaj deschis AC-4, 3 poli, 50 – 60 Hz 380 V 400 V [Ie]
|
21 A
|
|
Protecţie împotriva contactului direct
|
-
|
|
Lămpi cu descărcare (Balast) 600V 60Hz trifazat
|
79 A
|
|
Suruburi terminale (contacte principale)
|
M6
|
|
Montaj deschis AC-4, 3 poli, 50 – 60 Hz 660 V 690 V [Ie]
|
17 A
|
|
Trifazat 460 V 480 V
|
40 HP
|
|
Date nominale pentru tipuri aprobate
|
-
|
|
500 V
|
500 A
|
|
AC-3
|
-
|
|
Toleranţa tensiunii, funcţionare în c.c. [menţinere]
|
0,15 x Uc
|
|
Tensiune nominală de izolaţie (Ui)
|
690 V
|
|
Curent termic convenţional 1 pol montaj deschis [Ith]
|
162 A
|
|
Fuzibil max. la defect sever 480 V
|
250/150 Class J A
|
|
Curent nominal AC-3/400V
|
50 A
|
|
Trifazat 575 V 600 V
|
50 HP
|
|
AC-3 440 V [P]
|
32 kW
|
|
Montaj deschis AC-4, 3poli, 50 – 60 Hz 220 V 230 V [Ie]
|
21 A
|
|
Montaj deschis AC-4, 3 poli, 50 – 60 Hz 440 V [Ie]
|
21 A
|
|
Fuzibil maxim la defect sever 600 V
|
250/150 Class J A
|
|
La Ie conform AC-3/400V
|
9,9 W
|
|
Surubelniţă Philips/Pozidriv (contacte principale)
|
PZ 2
|
|
Secţiune racord pentru contactele principale
|
- mm²
|
|
Montaj deschis AC-3, 3 poli: 50 – 60 Hz 220 V 230 V [Ie]
|
50 A
|
|
Curent termic convenţional 3 poli 50-60Hz
|
-
|
|
Masiv (cablu principal)
|
1 x (0,75 - 16) | 2 x (0,75 - 16) mm²
|
|
Masă netă
|
1,05 kg/m
|
|
Rezistenţe de încălzire 277V 60Hz monofazat
|
79 A
|
|
Curent nominal operaţional în regim AC-3
|
-
|
|
Rezistenţe de încălzire 347V 60Hz monofazat
|
79 A
|
|
Descriere de bază
|
Contactor
|
|
AC-3 500 V [P]
|
36 kW
|
|
Condiţii climatice
|
Căldură umedă constantă, conform cu IEC 60068-2-78;Căldură umedă ciclică, conform cu IEC 60068-2-30
|
|
Montaj deschis la 60°C [Ith=Ie]
|
65 A
|
|
Tensiune bobină DC
|
24V
|
|
Control elevator 200V 60Hz trifazat (A)
|
32,20
|
|
Timp de arc
|
10 ms
|
|
Mărime
|
2
|
|
Funcţionare în c.c. [Cuplare] Notă
|
RDC 24 (Umin 24 V DC/Umax 27 V DC)| Example: US = 0.7 x Umin - 1.2 x Umax / US = 0.7 x 24V - 1.2 x 27V DC
|
|
Durată de viaţă mecanică, în c.c.
|
10000000 Comutări
|
|
Curent nominal operaţional în regim AC-1
|
-
|
|
Toleranţa tensiunii, funcţionare în c.c. [închidere]
|
0,7 - 1,2 x Uc
|
|
Rezistenţa la şocuri mecanice-şoc semisinusoidal orizontal
|
-
|
|
60 V [Ie]
|
60 A
|
|
disipare
|
17,70 W
|
|
Tinere la impuls de tensiune [Uimp]
|
8000 V
|
|
Lămpi cu incandescenţă (Wolfram) 277V 60Hz monofazat
|
74 A
|
|
PREG
|
2450
|
|
3 poli, la Ith [60°]
|
16,7 W
|
|
COD COMANDĂ
|
LTD25035
|
|
Montaj deschis AC-3, 3poli: 50 – 60 Hz 415 V [Ie]
|
50 A
|
|
Masiv (contacte auxiliare)
|
1 x (0,75 - 4) | 2 x (0,75 - 2,5) mm²
|
|
Surubelniţă standard (contacte auxiliare)
|
0,8 x 5,5;1 x 6
|
|
Montaj deschis AC-4, 3 poli, 50 – 60 Hz 240 V [Ie]
|
21 A
|
|
SCCR (fuzibil) la defect sever 600 V
|
30/100 kA
|
|
Standard screwdriver [main cable]
|
0,8 x 5,5;1 x 6 mm
|
|
Putere motor maximă-3 faze
|
-
|
|
Monofazat 230V 240V
|
10 HP
|
|
Cuplu de strângere (contacte auxiliare)
|
1,20 Nm
|
|
Contacte de forţă-contacte ND
|
10 gr.
|
|
HxBxT mm
|
115x55x132
|
|
Control elevator 480V 60Hz trifazat (A)
|
40
|
|
Funcţionare în c.c. închidere temporizată
|
54 ms
|
|
Masă
|
- kg.
|
|
Întreruptor automat max. la defect sever 480 V
|
100 A
|
|
AC-3 660 V 690 V [P]
|
30 kW
|
|
110 V [Ie]
|
50 A
|
|
a bobinei în stare rece şi 1.0 x Us
|
-
|
|
Funcţionare în c.c. deschidere temporizată
|
24 ms
|
|
AC-3 380 V 400 V [P]
|
22 kW
|
|
AC-4 240 V [P]
|
6,5 kW
|
|
Timp de comutaţie la 100% Us (Valoare recomandată)
|
-
|
|
Bare flexibile (nr. de lamele x lătime x grosime)
|
2 x (6 x 9 x 0.8) mm
|
|
380 V 400 V
|
500 A
|
|
Coordonare de tip "2" 400 V [gG/gL 500 V]
|
80 A
|
|
AC-3 415 V [P]
|
30 kW
|
|
Curent nominal operaţional DC-1
|
-
|
|
Putere pentru aplicaţii speciale
|
-
|
|
Standard
|
IEC EN 60947-4-1;IEC EN 60947-5-1;UL 508
|
|
PU
|
25
|
|
Control elevator 600V 60Hz trifazat (CP)
|
40
|
|
Lămpi cu descărcare (Balast) 480V 60Hz trifazat
|
79 A
|
|
Impedanţă pe pol
|
1,9 mΩ
|
|
Contacte auxiliare-contacte NÎ
|
5 gr.
|
|
Montaj deschis AC-3, 3poli: 50 – 60 Hz 660 V 690 V [Ie]
|
32 A
|