|
Montaj deschis AC-3, 3 poli: 50 – 60 Hz 220 V 230 V [Ie]
|
500 A
|
|
Putere motor maximă-Utilizare generală
|
550 A
|
|
AC-3 240V [P]
|
170 kW
|
|
PU
|
54
|
|
Performanţe în regim de motor AC-3
|
-
|
|
Contacte auxiliare-contacte ND
|
10 gr.
|
|
AC-3 660 V 690 V [P]
|
300 kW
|
|
Rezistenţă la scurtcircuit
|
-
|
|
Montaj deschis AC-4, 3 poli, 50 – 60 Hz 415 V [Ie]
|
360 A
|
|
Secţiune racord (contacte auxiliare)
|
- mm²
|
|
Între bobină şi contacte
|
500 VAC
|
|
FLA 480V 60Hz trifazat
|
635 A
|
|
(0 … 0.7 x Uc min)
|
Contactorul nu cuplează
|
|
Factorul de serviciu
|
100 % ED
|
|
Curent nominal AC-3/400V
|
500 A
|
|
disipare
|
117,00 W
|
|
Tensiunea nominală operaţională
|
1000 V
|
|
Unitate de ambalare
|
1 m.
|
|
Trifazat 575 V 600 V
|
500 HP
|
|
Putere de cuplare (VA)
|
715
|
|
Temperatura ambiantă de depozitare
|
-40 / +80 °C
|
|
Date de bază SCCR
|
30 kA
|
|
Funcţionare în c.a.
|
8,58
|
|
AC-4 380 V 400 V [P]
|
200 kW
|
|
Masiv (contacte auxiliare)
|
1 x (0,75 - 2,5) | 2 x (0,75 - 2,5) mm²
|
|
Tensiune bobină
|
230V
|
|
Fuzibil max. protecţie la scurtcircuit
|
-
|
|
Curent termic convenţional 1 pol montaj deschis [Ith]
|
1625 A
|
|
Compensare individuală, curent de funcţ. trifazat cap.
|
-
|
|
Rezistenta admisibilă a contactului actuatorului A11
|
500 mΩ
|
|
Montaj deschis AC-3, 3poli: 50 – 60 Hz 415 V [Ie]
|
500 A
|
|
Sarcină pilot funcţionare în c.a.
|
A600
|
|
(0 … 0.2 x Uc min) ≦ 10 ms
|
Timpul este legat deliberat
|
|
AC-4 1000 V [P]
|
132 kW
|
|
Unelte (contacte auxiliare)
|
-
|
|
COD COMANDĂ
|
LTD65153
|
|
AC-4 440 V [P]
|
229 kW
|
|
Durată de viaţă mecanică, în c.a.
|
7000000 Comutări
|
|
grad de protecţie
|
IP00
|
|
Suruburi terminale (contacte auxiliare)
|
M3,5
|
|
Contacte de forţă
|
-
|
|
Întreruptor automat max. la defect sever 600 V
|
600 A
|
|
Trifazat 460 V 480 V
|
400 HP
|
|
Putere disipată
|
-
|
|
Separare sigură conform EN 61140
|
-
|
|
FLA 600V 60Hz trifazat
|
520 A
|
|
Montaj deschis la 50°C [Ith=Ie]
|
715 A
|
|
Putere de cuplare (W)
|
645
|
|
220 V 230 V
|
5000 A
|
|
AC-3 380 V 400 V [P]
|
250 kW
|
|
Categorie produs
|
Power contactor
|
|
Montaj deschis DC-1
|
-
|
|
Unelte (contacte principale)
|
-
|
|
Sistemul electromagnetic
|
-
|
|
Norme si Standarde
|
EN 60947-4-1, EN 60947-5-1, IEC 60947-4-1, IEC 60947-5-1, UL 508
|
|
Consum de putere
|
-
|
|
Trifazat 200 V 208 V
|
150 HP
|
|
Fabricant
|
Schrack
|
|
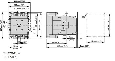
HxBxT mm
|
219x160x216
|
|
DC-1
|
-
|
|
AC-4 220 V 230 V [P]
|
112 kW
|
|
Bare flexibile (nr. de lamele x lătime x grosime)
|
Fixing with flat cable terminal or cable terminal blocks| See terminal capacity for cable terminal blocks mm
|
|
Frecventa de functionare maximă
|
200 S/h
|
|
Masiv sau multifilar (contacte auxiliare)
|
18 - 14 AWG
|
|
Flexible with ferrule [auxiliary cables]
|
1 x (0,75 - 2,5) | 2 x (0,75 - 2,5) mm²
|
|
Comportament în condiţii tranzitorii şi marginale
|
-
|
|
Frecvenţa comutărilor, funcţionare în c.a.
|
2000 Comutări/h
|
|
Sarcină pilot funcţionare în c.c.
|
P300
|
|
Rezistenţa la şocuri mecanice-şoc semisinusoidal 10ms
|
-
|
|
Temperatura ambiantă pentru montaj deschis
|
-40 / +60 °C
|
|
Coordonare de tip "1" 690 V [gG/gL 690 V]
|
630 A
|
|
Accesorii opționale
|
LTZ60001--;LTZ4W001--;LTZ5D711--;LTZ5D811--;
|
|
Categoria de supratensiune/Grad de poluare
|
III/3
|
|
Coordonare de tip "2" 400 V [gG/gL 500 V]
|
500 A
|
|
Montaj închis [Ith]
|
600 A
|
|
AC-3 220 V 230 V [P]
|
155 kW
|
|
SCCR (fuzibil) la defect sever 480 V
|
30/100 kA
|
|
Deschis 690V
|
177 A
|
|
Contacte de forţă
|
3 ND
|
|
Performanţe în regim de motor AC-4
|
-
|
|
Masă netă
|
8,58 kg/m
|
|
Coordonare de tip "1" 1000 V [gG/gL 1000 V]
|
250 A
|
|
1000 V
|
950 A
|
|
Capacitate de rupere nominala
|
- kA
|
|
Fază de cuplare
|
-
|
|
Utilizare generală c.a. (V)
|
600
|
|
Curent nominal operaţional AC-4
|
-
|
|
SCCR (întreruptor automat) la defect sever 600 V
|
30 kA
|
|
Surubelniţă Philips/Pozidriv (contacte auxiliare)
|
PZ 2
|
|
LxÎxA mm
|
160x219x216
|
|
SCCR (CB) la defect sever
|
100 kA
|
|
Temporizare la închidere, funcţionare în c.a.
|
55
|
|
AC-4 415 V [P]
|
216 kW
|
|
Contacte auxiliare înglobate
|
2ND+2NÎ
|
|
Contacte de forţă-contacte ND
|
10 gr.
|
|
Mărime
|
6
|
|
(1.15 … 1.3 x Uc max)
|
Contactorul rămâne cuplat
|
|
Trifazat 230 V 240 V
|
200 HP
|
|
AC-4 660 V 690 V [P]
|
240 kW
|
|
AC-4
|
-
|
|
AC-3 440 V [P]
|
315 kW
|
|
Capacitatea de rupere
|
-
|
|
LRA 600V 60Hz trifazat
|
3120 A
|
|
Montaj deschis AC-4, 3 poli, 50 – 60 Hz 500 V [Ie]
|
360 A
|
|
Contacte auxiliare
|
2ND+2NI
|
|
AC-3 1000 V [P]
|
132 kW
|
|
Tensiune nominală de izolaţie (Ui)
|
1000 V
|
|
Montaj deschis AC-4, 3 poli, 50 – 60 Hz 660 V 690 V [Ie]
|
260 A
|
|
Curent nominal
|
500 A
|
|
Protecţie împotriva contactului direct
|
-
|
|
AC-3 500 V [P]
|
355 kW
|
|
Montaj deschis AC-4, 3 poli, 50 – 60 Hz 240 V [Ie]
|
360 A
|
|
Date nominale pentru tipuri aprobate
|
-
|
|
Date de bază max. CB
|
600 A
|
|
Montaj deschis AC-4, 3 poli, 50 - 60 Hz 1000 V [Ie]
|
95 A
|
|
Functionare condensator
|
-
|
|
AC-3
|
-
|
|
(0 … 0.2 x Uc min) > 10 ms
|
Decuplarea contactorului
|
|
Lăţime sistem de bare
|
30 mm
|
|
Deschis la 525 V
|
307 A
|
|
La Ie conform AC-3/400V
|
58 W
|
|
Montaj deschis AC-3, 3 poli: 50 – 60 Hz 240 V [Ie]
|
500 A
|
|
Vârf maxim de curent la cuplare
|
30 x Ie
|
|
Multifilar cu papuc
|
70 - 240 mm²
|
|
Secţiune racord pentru contactele principale
|
- mm²
|
|
Curent termic convenţional 3 poli 50-60Hz
|
-
|
|
Cuplu de strângere (contacte principale)
|
24 Nm
|
|
CEM interferenţe emise
|
Acest produs este proiectat pentru funcționarea în mediu industrial (mediu A). Utilizarea în mediu rezidențial (mediu B) poate cauza interferențe radio pe multiple frecvențe, fiind necesare măsuri suplimentare de atenuare.
|
|
Curent nominal operaţional în regim AC-3
|
-
|
|
Temperatura ambiantă pentru montaj închis
|
-40 / +40 °C
|
|
500 V
|
5000 A
|
|
Acţionare frontală (EN50724)
|
Cu degetul şi cu dosul palmei la bornele terminale
|
|
Descriere de bază
|
Contactor
|
|
Fuzibil maxim la defect sever 600 V
|
800/600 Class J A
|
|
660 V 690 V
|
5000 A
|
|
Notă de consum de putere
|
Transformator de comandă cu uk ≦ 10%
|
|
Fuzibil max. la defect sever 480 V
|
800/600 Class J A
|
|
Curent termic convenţional 1 pol montaj închis [Ith]
|
1500 A
|
|
Condiţii climatice
|
Căldură umedă constantă, conform cu IEC 60068-2-78;Căldură umedă ciclică, conform cu IEC 60068-2-30
|
|
Montaj deschis la 40°C [Ith=Ie]
|
800 A
|
|
Capacitatea de închidere conform CEI/EN 60947 până la 690V
|
5500 A
|
|
Montaj deschis AC-3, 3poli: 50 – 60 Hz 660 V 690 V [Ie]
|
325 A
|
|
(0.6 … 0.7 x Uc min)
|
Contactorul rămâne cuplat
|
|
Temporizare la deschidere, funcţionare în c.a.
|
50
|
|
Coordonare de tip "2" 1000 V [gG/gL 1000 V]
|
200 A
|
|
Curent nominal operaţional în regim AC-1
|
-
|
|
Utilizare generală c.c. (A)
|
1
|
|
(0.2 … 0.6 x Uc min) ≦ 12 ms
|
Timpul este legat deliberat
|
|
Tensiune prea ridicată
|
-
|
|
Rezistenţa la şocuri mecanice-şoc semisinusoidal orizontal
|
-
|
|
Toleranţa tensiunii, funcționare în c.a. [închidere]
|
0,85 x Us min - 1,1 x Us max x Uc
|
|
Coordonare de tip "1" 400 V [gG/gL 500 V]
|
630 A
|
|
(0.2 … 0.6 x Uc min) > 12 ms
|
Decuplarea contactorului
|
|
AC-3 415 V [P]
|
290 kW
|
|
Contacte auxiliare
|
-
|
|
Flexibil cu papuc
|
50 - 240 mm²
|
|
Tinere la impuls de tensiune [Uimp]
|
8000 V
|
|
Montaj deschis AC-3, 3 poli, 50 - 60 Hz 1000 V [Ie]
|
95 A
|
|
PREG
|
2450
|
|
Întreruperi de tensiune
|
-
|
|
AC-4 500 V [P]
|
250 kW
|
|
Menţinere
|
-
|
|
Performanţe ţintă (100,000 cicluri conform cu UL1995)
|
-
|
|
LRA 480V 60Hz trifazat
|
3900 A
|
|
Date de bază fuzibil max.
|
800 A
|
|
(0.7 x Uc min … 1.15 x Uc max)
|
Contactorul cuplează cu certitudine
|
|
Durata de viaţă a componentei
|
0,1 x 10^6
|
|
Montaj deschis AC-4, 3 poli, 50 – 60 Hz 380 V 400 V [Ie]
|
360 A
|
|
Putere de menţinere (W)
|
4
|
|
SCCR (fuzibil) la defect sever 600 V
|
30/100 kA
|
|
Contacte auxiliare-contacte NÎ
|
8 gr.
|
|
3 poli, la Ith [60°]
|
113 W
|
|
Toleranţa tensiunii Us
|
220 - 240 V 50/60 Hz
|
|
Putere motor maximă-3 faze
|
-
|
|
Toleranţa tensiunii, funcţionare în c.a. [menţinere]
|
0,2 x Us min - 0,4 x Us max x Uc
|
|
Cuplu de strângere (contacte auxiliare)
|
1,20 Nm
|
|
Montaj deschis AC-4, 3poli, 50 – 60 Hz 220 V 230 V [Ie]
|
360 A
|
|
380 V 400 V
|
5000 A
|
|
Montaj deschis AC-4, 3 poli, 50 – 60 Hz 440 V [Ie]
|
360 A
|
|
Masă
|
- kg.
|
|
a bobinei în stare rece şi 1.0 x Us
|
-
|
|
Masiv sau multifilar (contacte principale)
|
2/0 - 500 MCM AWG
|
|
Montaj deschis la 55°C [Ith=Ie]
|
682 A
|
|
Putere de menţinere (VA)
|
6,8
|
|
Utilizare generală c.a. (A)
|
15
|
|
Timp de comutaţie la 100% Us (Valoare recomandată)
|
-
|
|
AC-4 240 V [P]
|
122 kW
|
|
Între contacte
|
500 VAC
|
|
Montaj deschis AC-3, 3 poli: 50 – 60 Hz 380 V 400 V [Ie]
|
500 A
|
|
Curent nominal operaţional DC-1
|
-
|
|
Utilizare generală c.c. (V)
|
250
|
|
Montaj deschis AC-3, 3 poli: 50 – 60 Hz 440 V [Ie]
|
500 A
|
|
Căderea tensiunii
|
-
|
|
Standard
|
IEC EN 60947-4-1;IEC EN 60947-5-1;UL 508
|
|
Montaj deschis AC-3, 3 poli: 50 – 60 Hz 500 V [Ie]
|
500 A
|
|
Montaj deschis la 60°C [Ith=Ie]
|
650 A
|
|
Suruburi terminale (contacte principale)
|
M10
|
|
Coordonare de tip "2" 690 V [gG/gL690 V]
|
500 A
|
|
Întreruptor automat max. la defect sever 480 V
|
600 A
|
|
Curent de scurtcircuit
|
-
|
|
AC-1
|
-
|