Schrack

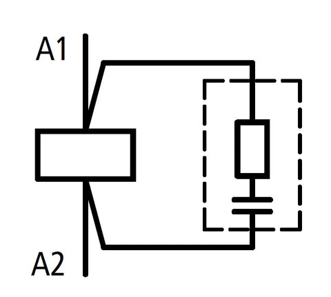
Modul deparazitare RC pentru contactor mărime 0, 110-240Vca

Mărime 0, Tensiune bobină 127-240V, Accesorii Modul limitator de curent

SKU: LTZ00001-- ISBN: 9004840839548
In stoc furnizor Termenul de livrare va fi comunicat dupa plasarea comenzii

Unitate de ambalare: 1 buc.

Cantitate minima pentru comanda: 1 buc.

Ai vazut mai ieftin?

Spune-ne unde ai vazut mai ieftin acest produs

RON
Contacteaza Woltram
Modul deparazitare RC pentru contactor mărime 0, 110-240Vca
32,59 lei
Caracteristică Valoare
Accesorii Modul limitator de curent
Categorie produs accesorii
Unitate de ambalare 1 m.
COD COMANDĂ LTZ00001
Masă netă 0,01 kg/m
PREG 2450
Fabricant Schrack
PU 700
Tensiune bobină 127-240V
Mărime 0

Fise tehnice

Descarca fise tehnice produs