Schrack

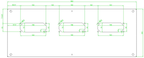
Acoperiș predecupat pentru plăci de trecere L1000 A400m

Potrivite pentru dulapuri AC/KC, plăci de trecere:

SKU: ACRCE1004- ISBN: 9004840883718
In stoc furnizor Termenul de livrare va fi comunicat dupa plasarea comenzii

Unitate de ambalare: 1 buc.

Cantitate minima pentru comanda: 1 buc.

Ai vazut mai ieftin?

Spune-ne unde ai vazut mai ieftin acest produs

RON
Contacteaza Woltram
Acoperiș predecupat pentru plăci de trecere L1000 A400m
426,88 lei
Caracteristică Valoare
Unitate de ambalare 1 m.
HxBxT mm 2x1000x400
Fabricant Schrack
Masă netă 4,40 kg/m
Culoare RAL7035
PREG 1100
Furnitura include Roof panel with cutout
Material tablă de oţel
LxÎxA mm 1000x2x400
Accesorii opționale WSTBT2117G, WSTBT2125G,WSTBT2130G, WSTBT2135G, WSTBT2150G, IG712100--, IG712102--, IG712200--, IG712205--, IG712211--, IG712222--, IG712223--, IG712512--
COD COMANDĂ ACRCE1004

Fise tehnice

Descarca fise tehnice produs