| Caracteristică | Valoare |
|---|---|
| LxÎxA mm | 800x2x400 |
| Unitate de ambalare | 1 m. |
| COD COMANDĂ | ACRCE0804 |
| Masă netă | 3,50 kg/m |
| Fabricant | Schrack |
| Culoare | RAL7035 |
| PREG | 1100 |
| HxBxT mm | 2x800x400 |
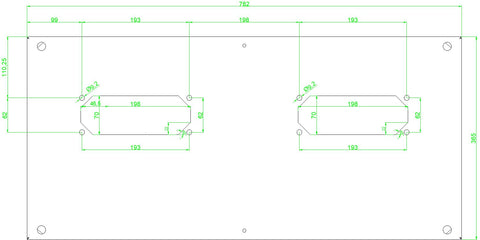
| Furnitura include | Roof panel with cutout |
| Material | tablă de oţel |
| Accesorii opționale | WSTBT2117G, WSTBT2125G,WSTBT2130G, WSTBT2135G, WSTBT2150G, IG712100--, IG712102--, IG712200--, IG712205--, IG712211--, IG712222--, IG712223--, IG712512-- |