| Caracteristică | Valoare |
|---|---|
| Număr articol Hlief | BM617450-- |
| Versiune | Întreruptor automat AC |
| PREG | 1300 |
| Serie | BMS6 |
| Terminale externe CAD | 1 |
| Unitate de ambalare | 1 m. |
| Curent nominal | 50 A |
| disipare | 18,00 W |
| Capacitate de rupere nominala | 6 kA |
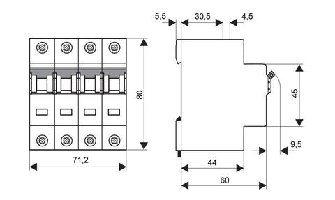
| HxBxT mm | 83x71x75 |
| Standard produs | EN 60947-2:2006 + A1:2009 + A2:2013;EN 60947-2:2017 + A1:2020;EN 60898-1:2019;EN 63000:2018 |
| Fabricant | Schrack |
| PU | 3 |
| Temperatura maximă a mediului ambiant | 75 °C |
| LxÎxA mm | 71x83x75 |
| Poli | 4 |
| Accesorii opționale | BM900001--;BM900022--;BD900022-- |
| Categorie produs | tip BMS6 |
| Descriere electrică CAD | ${kennlinie}/${stromstärke}/${pole} |
| Caracteristică declanşare | C |
| Masă netă | 0,48 kg/m |
| Descriere de bază | Întreruptor automat modular |
| Temperatura minimă a mediului ambiant | -40 °C |
| COD COMANDĂ | BM617450 |
| Simbol CAD | F |