Schrack

Bloc prot dif clipsabil AMPARO, 10kA, 4P, Tip A, 40A, 300mA

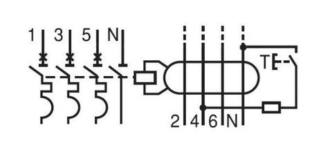
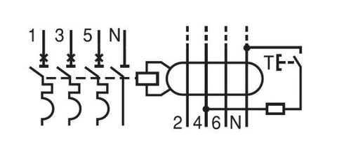
Bloc protectie diferentiala clipsabila pentru AMPARO, 10kA, 4P, Tip A, 40A, 300mA, N pe partea dreapta, standard EN 61009-1

SKU: ARA04430-- ISBN: 9004840938685
In stoc Produsele vor fi livrate in 24-48 ore de la plasarea comenzii

Unitate de ambalare: 1 buc.

Cantitate minima pentru comanda: 1 buc.

Ai vazut mai ieftin?

Spune-ne unde ai vazut mai ieftin acest produs

RON
Contacteaza Woltram
Bloc prot dif clipsabil AMPARO, 10kA, 4P, Tip A, 40A, 300mA
114,15 lei
Caracteristică Valoare
Descriere electrică CAD 40A/4P/300mA
Rated sensitivity IΔn 300 mA
Poli N+3
Standard produs EN 61009-1:2012 + A1:2014 + A2:2014 + A11:2015 + A12:2016;EN 61009-2-1:1994 + A11:1998
Valoare curent de defect 300 mA
Terminale externe CAD 1
Unitate de ambalare 1 m.
Categorie produs A (sensibil la curent alternativ și pulsatoriu)
Temperatura maximă a mediului ambiant 60 °C
disipare 22,50 W
Descriere de bază Întreruptor diferenţial
LxBxH mm 72x135x88
Capacitate de rupere nominala 10 kA
PREG 1380
Accesorii opționale BSB90125-A;BSB90113-A
Temperatura minimă a mediului ambiant -10 °C
Tip fără temporizare
Fabricant Schrack
COD COMANDĂ ARA04430
Masă netă 0,26 kg/m
Curent nominal 40 A
PU 2
Simbol CAD Q
Serie AMPARO

Fise tehnice

Descarca fise tehnice produs