Schrack

Bloc prot dif clipsabil AMPARO, 6kA, 2P, Tip A, 40A, 30mA

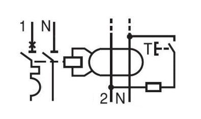
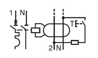
Bloc protectie diferentiala clipsabil pentru AMPARO, 6kA, 2P, Tip A, instantaneu, 40A, 30mA, N pe partea dreapta, standard EN 61009-1

SKU: ARA64203-- ISBN: 9004840938692
In stoc furnizor Termenul de livrare va fi comunicat dupa plasarea comenzii

Unitate de ambalare: 1 buc.

Cantitate minima pentru comanda: 1 buc.

Ai vazut mai ieftin?

Spune-ne unde ai vazut mai ieftin acest produs

RON
Contacteaza Woltram
Bloc prot dif clipsabil AMPARO, 6kA, 2P, Tip A, 40A, 30mA
94,40 lei
Caracteristică Valoare
Poli 1+N
Masă netă 0,14 kg/m
Standard produs EN 61009-1:2012 + A1:2014 + A2:2014 + A11:2015 + A12:2016;EN 61009-2-1:1994 + A11:1998
Terminale externe CAD 1
Unitate de ambalare 1 m.
PU 45
Categorie produs A (sensibil la curent alternativ și pulsatoriu)
Temperatura maximă a mediului ambiant 60 °C
Accesorii Accesorii de conexiune
disipare 22,50 W
Descriere de bază Întreruptor diferenţial
Capacitate de rupere nominala 6 kA
Versiune 2 poli;Unitate de extensie
PREG 1380
Temperatura minimă a mediului ambiant -10 °C
Valoare curent de defect 30 mA
Tip fără temporizare
Fabricant Schrack
Rated sensitivity IΔn 30 mA
COD COMANDĂ ARA64203
Curent nominal 40 A
LxBxH mm 72x62x88
Descriere electrică CAD 40A/2P/30mA
Simbol CAD Q
Serie AMPARO

Fise tehnice

Descarca fise tehnice produs