Schrack

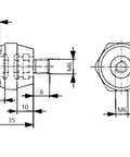
Suport electroizolant M6x35mm

SKU: SI058010-- ISBN: 9004840493979
In stoc furnizor Termenul de livrare va fi comunicat dupa plasarea comenzii

Unitate de ambalare: 1 buc.

Cantitate minima pentru comanda: 1 buc.

Ai vazut mai ieftin?

Spune-ne unde ai vazut mai ieftin acest produs

RON
Contacteaza Woltram
Suport electroizolant M6x35mm
34,37 lei
Caracteristică Valoare
COD COMANDĂ SI058010
ØxH mm 30x35
Masă netă 0,06 kg/m
LxÎxA mm 30x35x30
HxBxT mm 35x30x30
Unitate de ambalare 1 m.
PREG 1650
Componente sistem Suport izolator
Mărime M6
PU 20
Număr articol Hlief SI058010--
Serie Wöhner
Sistem suport izolator
Temperatura minimă a mediului ambiant -25 °C
Temperatura maximă a mediului ambiant 55 °C
Fabricant Woehner
Accesorii suport izolator

Fise tehnice

Descarca fise tehnice produs
Descarca Fisa tehnica