Schrack

Sunt 60mV/250A

SKU: MG900115-- ISBN: 9004840058628
In stoc furnizor Termenul de livrare va fi comunicat dupa plasarea comenzii

Unitate de ambalare: 1 buc.

Cantitate minima pentru comanda: 1 buc.

Ai vazut mai ieftin?

Spune-ne unde ai vazut mai ieftin acest produs

RON
Contacteaza Woltram
Sunt 60mV/250A
460,96 lei
Caracteristică Valoare
Umiditate relativă 95 %
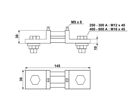
Domeniu măsură at In ... 60mV
Simbol CAD R
Descriere electrică CAD 60mV, 250A
Curent nominal 250 A
Unitate de ambalare 1 m.
Număr articol Hlief MG900115--
PREG 2330
Accuracy classes Class 0,5
Curent primar 250 A
Working conditions ##
Overload (short-time) 10 In / 5sec
Gama de temperatură - Funcţionare -25 la +60 °C
LxBxH mm 145x30x30
Fabricant Schrack
COD COMANDĂ MG900115
disipare 15,00 W
Notă Can be used for direct current meters and instruments xA/60mV;Conform to DIN standard
Temperatura minimă a mediului ambiant -25 °C
Temperatura maximă a mediului ambiant 55 °C
Overload (continuous) 1.2 In
Masă netă 0,54 kg/m

Fise tehnice

Descarca fise tehnice produs