Schrack

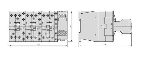
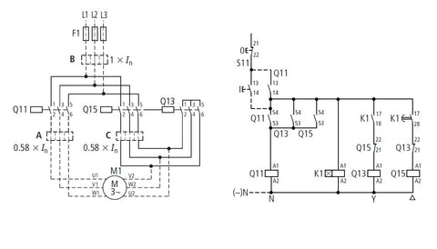
Ansamblu stea-triunghi, 5,5kW/400V, 230Vca

Mărime 0, Categorie produs Star-delta contactors, Tensiune bobină 230V

SKU: LTY01233-- ISBN: 9004840840155
In stoc furnizor Termenul de livrare va fi comunicat dupa plasarea comenzii

Unitate de ambalare: 1 buc.

Cantitate minima pentru comanda: 1 buc.

Ai vazut mai ieftin?

Spune-ne unde ai vazut mai ieftin acest produs

RON
Contacteaza Woltram
Ansamblu stea-triunghi, 5,5kW/400V, 230Vca
986,00 lei
Caracteristică Valoare
Putere nominală 5,5 W
Descriere de bază Contactor
Unitate de ambalare 1 m.
Masă netă 1,03 kg/m
Tensiune bobină 230V
PU 10
PREG 2450
Fabricant Schrack
Categorie produs Star-delta contactors
COD COMANDĂ LTY01233
AC-3 380 V 400 V [P] 5,50 kW
disipare 7,60 W
Mărime 0

Fise tehnice

Descarca fise tehnice produs