Schrack

Contor digital de kWh 3f, 80A direct, MID, 2 tarife, M-Bus

ATENTIE: certificarea MID cu seria contorului trebuie solicitată înainte de comandă, apar costuri suplimentare

SKU: MGDIZ380-Z ISBN: 9004840504224
In stoc furnizor Termenul de livrare va fi comunicat dupa plasarea comenzii

Unitate de ambalare: 1 buc.

Cantitate minima pentru comanda: 1 buc.

Ai vazut mai ieftin?

Spune-ne unde ai vazut mai ieftin acest produs

RON
Contacteaza Woltram
Contor digital de kWh 3f, 80A direct, MID, 2 tarife, M-Bus
2.083,00 lei
Caracteristică Valoare
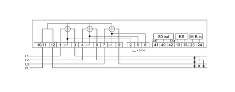
COD COMANDĂ MGDIZ380-Z
Versiune contor măsură directă
Port M-Bus
Unitate de ambalare 1 m.
PREG 2330
Simbol CAD P
Temperatura maximă a mediului ambiant 70 °C
HxBxT mm 90x108x64
LxÎxA mm 108x90x64
Masă netă 0,40 kg/m
Afişaj afisaj digital
Caracteristici tarif 2.
disipare 7,50 W
Poli 3
Calibrare MID (EU)
Temperatura minimă a mediului ambiant -40 °C

Fise tehnice

Descarca fise tehnice produs