Schrack

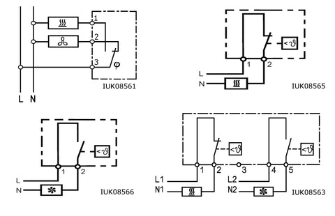
Termostat pentru încălzirea dulapurilor, 1NI, comutator roşu

SKU: IUK08565-- ISBN: 9004840461602
In stoc Produsele vor fi livrate in 24-48 ore de la plasarea comenzii

Unitate de ambalare: 1 buc.

Cantitate minima pentru comanda: 1 buc.

Ai vazut mai ieftin?

Spune-ne unde ai vazut mai ieftin acest produs

RON
Contacteaza Woltram
Termostat pentru încălzirea dulapurilor, 1NI, comutator roşu
64,70 lei
Caracteristică Valoare
HxBxT mm 72x40x36
LxÎxA mm 40x72x36
Culoare Gri deschis
Simbol CAD S
Domeniu reglaj temperatură 0° - 60° C
PREG 1150
Descriere de bază Încălzire
Adâncime 36 mm
Unitate de ambalare 1 m.
Categorie produs Regelung
Masă netă 0,05 kg/m
Fabricant Schrack
COD COMANDĂ IUK08565
Lăţime 40 mm
grad de protecţie IP20
Descriere electrică CAD 0-60°, 1NC
Tensiune nominală 230V-AC
Temperatura minimă a mediului ambiant -40 °C
Temperatura maximă a mediului ambiant 80 °C
Înălţime 72 mm
Număr articol Hlief IUK08565--
PROMO CODE GER INDUSTRY 1602-00006-30

Fise tehnice

Descarca fise tehnice produs